Ask Woody
by N. R. Woodward
Reprinted from "Crown Jewels of the Wire", October 1998, page 12
N. R. "Woody" Woodward is the author of THE GLASS INSULATOR IN
AMERICA, 1988 Report and developed
the Consolidated Design Numbers identification system for glass insulators.
Tom Feltmann, Maryland Heights, MO, writes: I have a few questions about some
illustrations contained in the Graybar General Catalog No. 105, copyright 1958.
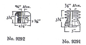
Do the spools on page 951, products "No. 9292" and "No.
9291" exist in glass?
Hubbard Spool Insulators
Wet and Dry Process Porcelain and Glass

The information accompanying the drawings on page 951 is not entirely
accurate.
No. 9292 is Hemingray No.109. It has been made in aqua, brown and
clear glass. It has also been made in porcelain; but here it is listed
under "glass". Yes the description of "Wet process" refers
to porcelain.
No. 9291 is Hemingray No. 110. It is of more recent origin and
insofar as I know, has been made only in clear glass. These two styles are Western Union dead-end shackle insulators and were used with a clevis
similar to that accompany porcelain insulator No. 1340, on the left side of the
page. The No. 9292 was also used extensively by pipeline companies and others,
but was not a Bell System standard.

On page 959, there is a Hemingray 9 pictured with a smooth base. Is this a
misprint? It looks like a larger insulator.
On page 959 you will note that the drawings of No.9 and No 23 are not to the
same scale as the others. That is why the No.9 appears more like a CD #122.
However, the dimensions shown with the drawings are correct.
Hemingray Communications Insulators

About the Hemingray 23 that is illustrated -- is there a reason why
"23" is not on the T.S. insulators? I have yet to find one marked
"Hemingray 23".
Hemingray (Owens-Illinois) listed the T.S. as No. 23: but none were embossed
with that number. I have seen CD #129 units from other countries marked with No.
23: but neither Owens nor Armstrong marked them with other than T.S.
Could you please define the abbreviations "C.S.A." and "C. S.
C. " found on carrier service insulators?
On CD #128, the letters CS indicate Carrier service for Steel pin mounting.
We have never learned a specific meaning for the third letter, A, B, C and O.
These seem to have been assigned arbitrarily to indicate changes in design
details. The CSA were the first mass-produced carrier insulator at Hemingray,
and were made of boro-silicate glass from a special, separate tank. The CSC
followed, during war years and after and was made of the same soda-lime glass as
the other insulators.
|